蘑菇成人污视频中心
蘑菇成人污视频应用于海洋、石油、石化、船舶、电力、热力、化工、天然气、城市工程装置、钢铁等领域。
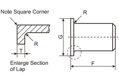
翻边短节结构图
翻边短节图
翻边短节结构图
翻边短节图

Lap joint Stub End-翻边短节

蘑菇成人污视频描述
Buttweld Stub End Specification:
制造标准/Manufacturing Standards ASME/ANSI B16.9, ASME B16.28, MSS-SP-43
尺寸/Sizes 1/2″NB TO 36 “NB IN
类型/Types Long Stub Ends, Pipe Stub Ends, Butt weld Long Stub Ends, Lap Joint Stub End.
壁厚等级/Wall Thickness Schedule 5S, 10S, 20S, S10, S20, S30, STD, 40S, S40, S60, XS, 80S, S80, S100, S120, S140, S160, XXS and etc.
增值服务/Value Added Services Hot Dipped Galvanizing, Epoxy & FBE Coating, Electro Polish, Sand Blasting, Threading, Soldering
材质/Material Stainless Steel, Alloy Steel, Duplex, Nickel Alloys, Low temperature Steel, Carbon Steel, Cupro Nickel
Buttweld Stub End Material Grades:
不锈钢/Stainless Steel ASTM A403 WP316/316L, ASTM A403 SA / A 774 WP-S, WP-W, WP-WX 304/304L, ASTM A182 F316L, 304L, DIN 1.4301, DIN1.4306, DIN 1.4401, DIN 1.4404
双相钢/Duplex & Super Duplex Steel ASTM A 815, ASME SA 815 UNS NO S31803, S32205. UNS S32750, S32950. Werkstoff No. 1.4462
碳钢/Carbon Steel ASTM A234, ASME SA234 WPB , WPBW, WPHY 42, WPHY 46, WPHY 52, WPH 60, WPHY 65 & WPHY 70.
低温钢/Low Temperature Carbon Steel ASTM A420 WPL3, A420 WPL6
合金钢/Alloy Steel ASTM / ASME A/SA 234 Gr. WP 1, WP 5, WP 9, WP 11, WP 12, WP 22, WP 91
镍合金/Nickel Alloy ASTM B336, ASME SB336, Nickel 200 (UNS No. No2200), Nickel 201 (UNS No. N02201), Monel 400 (UNS No. N04400), Monel 500 (UNS No. N05500), Inconel 800 (UNS No. N08800), Inconel 825 (UNS No. N08825), Inconel 600 (UNS No. N06600), Inconel 625 (UNS No. N06625), Inconel 601 (UNS No. N06601), Hastelloy C 276 (UNS No. N10276), Alloy 20 (UNS No. N08020), Titanium (Grade I & II), Cupro-Nickel 70/30, CuNi10Fe1Mn, CuNi30Mn1Fe.
Buttweld Stub End Dimesions:
Nominal Outside Outsiade Diameter Length Radius of Fillet Diameter of
Pipe Size Diameter of Barrel F R Lap
(NPS) at Bevel Min. Max. ANSI MSS ANSI & MSS MSS G
    TypeA TypeB  
 1/2 21.3 20.55 22.76 76.2 50.8 3 0.8 35
 3/4 26.7 25.88 28.09 76.2 50.8 3 0.8 42.9
1 33.4 32.61 34.95 101.6 50.8 3 0.8 50.8
1­.1/4 42.2 41.38 43.59 101.6 50.8 4.8 0.8 63.5
1.­1/2 48.3 47.47 49.94 101.6 50.8 6.4 0.8 73.2
2 60.3 59.54 62.38 152.4 63.5 7.9 0.8 91.9
2­.1/2 73 72.24 75.34 152.4 63.5 7.9 0.8 104.6
3 88.9 88.11 91.34 152.4 63.5 9.7 0.8 127
3­.1/2 101.6 100.81 104.04 152.4 76.2 9.7 0.8 139.7
4 114.3 113.51 116.66 152.4 76.2 11.2 0.8 157.2
5 141.3 140.51 144.35 203.2 76.2 11.2 1.5 185.7
6 168.3 167.49 171.27 203.2 88.9 12.7 1.5 215.9
8 219.1 218.29 222.07 203.2 101.6 12.7 1.5 269.7
10 273.1 272.26 277.19 254 127 12.7 1.5 323.9
12 323.9 323.06 327.99 254 152.4 12.7 1.5 381
14 355.6 354.81 359.82 304.8 152.4 12.7 1.5 412.8
16 406.4 405.61 410.97 304.8 152.4 12.7 1.5 469.9
18 457.2 456.41 462.03 304.8 152.4 12.7 1.5 533.4
20 508 507.21 514.1 304.8 152.4 12.7 1.5 584.2
22 558.8 558.01 564.9 304.8 152.4 12.7 1.5 641.4
24 609.6 608.81 615.7 304.8 152.4 12.7 1.5 692.2
MSS SP-43 ANSI B16.9(in mm)
蘑菇视频APP网站入口在线管道

HEBEI ZHONGRAN PIPELINE CO., LTD.

河北蘑菇视频APP网站入口在线管道有限公司

版权所有:河北蘑菇视频APP网站入口在线管道有限公司    冀ICP备38834811号-6

网站建设:中企动力  石家庄

网站地图